Реле контроля фаз РКФ-11
Описание
1. Возможность крепления на DIN-рейку или на монтажную панель.
2. Светодиодная индикация причины срабатывания реле.
3. Большое количество регулировок.
4. Износостойкость — 1 миллион циклов.
5. Гарантийные обязательства составляют 5 лет.
Особенности эксплуатации и монтажа:
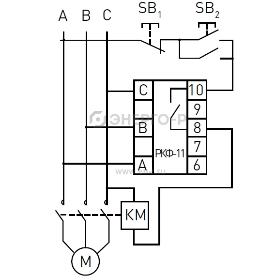
При подаче на реле трехфазного напряжения, если напряжение в пределах нормы и соблюден порядок чередования фаз, то контакты реле 8 и 10 замыкаются, и на катушку контактора электродвигателя подается напряжение, управляющее его включением. В случае одной из аварийных ситуаций (обрыв фазы, ошибка чередования фаз, перенапряжение, падение напряжения) замыкаются контакты 8 и 9 (8 и 10 размыкаются), и контактор отключается. В этом случае также загорается светодиодный индикатор, указывающий на причину срабатывания реле. Включение происходит автоматически после восстановления правильного напряжения питания.
В случае обрыва фазы или ошибки чередования фаз реле срабатывает моментально (≤0,2сек.), в случае падения напряжения или перенапряжения срабатывание происходит с установленной задержкой 0,5-10 сек. во избежание случайного отключения двигателя при кратковременных скачках напряжения.
Если после подключения РКФ-11 двигатель или электроустановка не запускаются, и при этом горит индикатор «Ошибка фазы», то это означает, что при монтаже возникла ошибка чередования фаз - необходимо просто установить правильный порядок подключения фаз и повторить запуск.
Индикатор «Ошибка фазы» может слабо мерцать при небольшом дисбалансе электроснабжения.
Производитель: EKF





